App ID: FLM-SL210012
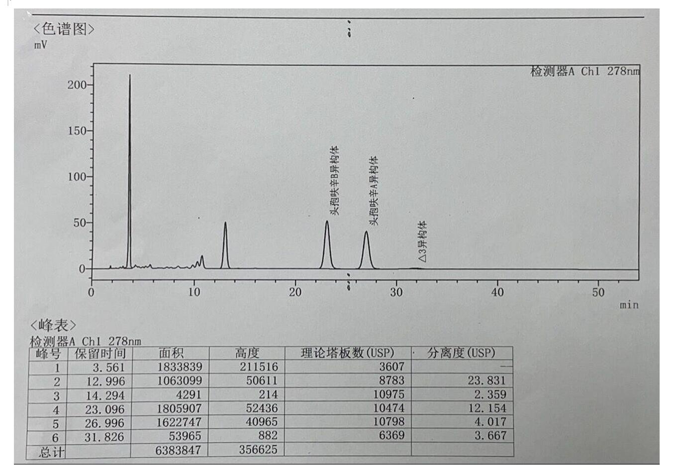
注射用頭孢呋辛酯系統(tǒng)適應性的檢測
方法:YBH05582019
色譜柱: SuperLu C18-AQ 5μm 250×4.6mm (貨號:FMG-6375-EONU)
檢測器:278nm
流速:1 mL/min
柱溫:30℃
流動相條件:0.2M 磷酸二氫銨溶液-甲醇(62:38)
客戶評價:頭孢呋辛酯 A、B 異構(gòu)體、△3-異構(gòu)體與兩個 E 異構(gòu)體峰的相對保留時間分別約為 1.0、0.9、1.2與 1.7 和 2.。頭孢呋辛酯 A、B 異構(gòu)體之間,頭孢呋辛酯 A-異構(gòu)體與△3-異構(gòu)體之間的分離度均應符合要求。
本案例及評價來自某省級藥檢所


